DC Generators and Motors (DC Machines) : 2 Marks Important Questions with Answers
Part
A
1.
Distinguish between a dc generator and a dc motor.
An electrical machine
which converts mechanical energy into an electrical energy is called a dc
generator while an electrical machine which converts an electrical energy into
the mechanical energy is called a dc motor.
2.
List the main parts of a dc machine.
The main parts of a dc
machine are Stator and Rotor.
Stator consists of:
(i) Yoke or magnetic
frame
(ii) Field system ‒
poles, field winding, interpoles
Rotor has the following
parts.
(a) Armature - Armature
core, Armature winding
(b) Commutator
(c) Brushes, Bearings
3.
List the main constituents of a stator of dc machine.
Yoke, poles, Field
winding and Interpoles.
4.
What is the purpose of field coils of a dc machine? Where are they located?
The function of field
coil is to carry the current and to produce the magnetic flux. Field coils are
located in the main poles.
5.
What are the functions of brushes and bearing in a dc machine.
The function of brushes
is to collect the current from commutator.
Ball bearings are
frequently employed for quiet operation. But for heavy duty machines, roller
bearings are preferable.
6.
What are the types of induced emf's?
(i) Dynamically induced
emf
(ii) Statically induced
emf
7.
Classify dc machines according to its form of excitation?
(i) Separately excited;
(ii) Self excited.
8.
Name the different types of dc generators?
(i) Separately excited
dc generators
(ii) Self excited dc generator
Self excited generator
are further classified as (a) DC shunt generator (b) DC series generator (c) DC
compound generator
9.
What is meant by excitation of a dc machine? What are the methods of
excitation?
The process of giving
dc voltage to the field winding of dc machine for producing magnetic field is
called excitation. Excitation are classified into two types.
(i) Self excited (ii)
Separately excited.
10.
Write down the emf equation of dc generator.
Eg = (ϕZN/60) × (P/A) V
Eg =
Generated emf
ϕ = Flux per pole in Wb
Z = Total No. of
Armature Conductors
N = Speed of Armature
in rpm.
P = No. of poles,
A = No. of parallel
paths
11.
Draw the connection diagram of long shunt compound generator.

Ia = Ise = IL +
Ish
Voltage Equation is Eg
= V + Ia(Ra+Rse)
12.
State the functions of commutator in a dc machine.
To facilitate the
collection of current from the armature conductors. To convert the alternating
current induced in the armature conductors to the unidirectional current in the
case of dc generator. In dc motor, it converts unidirectional current into
bidirectional current (Alternating current).
13.
Why in a dc machine, the armature core should be laminated
To armature is
laminated at right angles to its axis to minimise eddy current loss.
14.
Write the number of parallel paths in a lap and wave connected windings.
For lap connected
windings A = no. of poles (P)
For wave connected
windings A = 2
15.
Define critical resistance of a dc generator.
It is the maximum value
of resistance in the field circuit which the generator will just build up
voltage. Beyond this value of resistance the machine will fail to build up
voltage.
16.
What are the important characteristics of a dc generator?
The three most
important characteristics of a dc generator are
(i) Open circuit
characteristic
(ii) Internal
characteristic
(iii) External
characteristic
17.
What is the condition for maximum efficiency of a dc shunt generator?
Variable loss =
Constant loss
18.
List the different variable and constant losses in an electrical machine.
Variable losses are
copper loss in armature and series field winding.
Constant losses are
Iron losses, mechanical loss and shunt field losses.
19.
What is meant by armature reaction?
The interaction of
armature mmf with main field mmf is called armature reaction. It has two
effects.
(i) Demagnetising
effect
(ii) Cross magnetising
effect.
20.
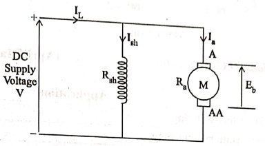
What is meant by back emf in a dc motor?
When the armature of a
dc motor rotates in the magnetic field, the armature conductor cuts the
magnetic flux. Hence emf will be induced in the conductor according to
Faraday's law of electro‒magnetic induction.

This induced emf acts
in opposite direction to the applied voltage (as per Lenz's law) and it is
referred as back emf or counter emf. The back emf is given by
Eb = (ϕZN/60)
× (P/A) V

Where,
ϕ = Flux per pole in Wb
Z = Total No. of
Armature Conductors
N = Speed of Armature
in rpm.
P = No. of poles,
A = No. of parallel
paths
Eb = Back
emf
21.
What is the significance of back emf?
The back emf acts like
a governor. It makes the dc motor self regulating machine. i.e it makes the
motor to draw as much armature current as is just sufficient to develop torque
required by the load.
22.
Write the torque equation of d.c. motor defining each term.
Ta = 0.159 ϕ ZIa (P/A) Nm
⇒
Ta ∝
ϕIa
Where,
ϕ = flux per pole in Wb
Z = Total no. of armature conductor.
Ia = Armature current in Amp
P = No. of poles
A = No. of parallel path
23.
Give the expression for speed of a dc motor.
Speed N = k (Eb/ϕ)
Where, k = 60A / PZ
Eb = Back
emf in volts
ϕ = flux/pole in Wb
P = No. of poles
Z = Total number of
armature conductors
A = Number of parallel
path in armature
24.
Why a dc series motor should always be started with load?
When load is heavy, Ia
is large and ϕ is high. Hence speed is low. ( N ∝ 1/ϕ ) But when a load current falls and
hence Ia falls to a small value. Speed becomes dangerously high.
Hence a series motor should never be started without some mechanical load on
it.
25.
Draw the torque current characteristics of various types of dc motors.

26.
Draw the speed‒torque characteristics of series and shunt motors.

27.
State two applications of dc shunt motor and series motor,
DC shunt motor is
mainly employed for constant speed applications such as lathe machines,
blowers, fans and centrifugal pumps etc.
DC series motor is
mainly employed for variable speed applications such as traction work, Electric
locomotives, cranes, hoists etc.
28.
Why is a shunt motor called constant speed drive?
During the running
condition, the reduction in the speed of a DC shunt motor (due to increase in
load) from no‒load to full‒load is very low. Hence, it is called as constant
speed drive.
29.
List out the important losses occurring in a DC Generator.
In general DC machines
losses may be classified as,
(i) Iron losses (or)
constant losses.
(ii) Copper losses (or)
variable losses.
(iii) Mechanical
losses.
In DC generator, the
output voltage will be reduced due to,
(a) Armature Reaction.
(b) Armature Voltage
drop.
30.
Classify DC motors and mention its two applications.

Type of Motor
(i) DC shunt motor
Characteristics: • Speed
is fairly constant • Speed can be controlled • Medium starting torque
Application: • Lathe
machines • Blowers and Fans • Centrifugal pumps
(ii) DC series motor
Characteristics: • Variable
speed • No load condition is dangerous • High starting torque
Application: • Electric
locomotives • Cranes • Elevators.
(iii) Copulative
compound motor
Characteristics: • Variable
speed • High starting torque
Application: • Punches •
Rolling mills.
(iv) Differential
compound motor
Characteristics: Speed increases
as load increases.
Application: Not
suitable for any practical applications.
31.
State the principle behind the operation of a DC motor.
It works on the
faraday's electromagnetic induction principle which states that, "when a
current carrying conductor is placed in a magnetic field, a force will be
experienced by the conductor", which will rotate the conductor.
32.
State faraday's laws of electromagnetic induction.
Ist law
[Generator principle]
Whenever a conductor
cuts a magnetic field, an emf will be induced in the conductor. In other words,
whenever the flux linking with a coil changes an emf will be induced.
IInd law
[Motor Principle]
Whenever a current
carrying conductor is conductor is placed in a magnetic field, force (torque)
will be experienced by the conductor, which tends to rotate it.
33.
Write the voltage equation of a motor?

Voltage equation is
given by, V = Eb + LaRa
Where,
V = Supply voltage
Eb = Back
emf of the motor.
Ia =
Armature Circuit Current
Ra = Resistance
of armature.
34.
Which type of induction motor would you use for the following applications?
(a) Wet ‒ grinder →
split‒phase induction motor.
(b) Food processor and
mixer → AC Series motor.
(c) Ceiling fan→
Capacitor start ‒ Induction run motor.
(d) Lift → 3 - phase
slip ring Induction motor.
35.
Which type of motor is used in electric traction and why?
DC series motor is used
for electric traction.
The reason is, DC
series motor is having high starting torque.
36.
What is a Pole Shoe?
Pole shoe is used to
spread out the flux in the air gap, and also, being of larger cross section, to
reduce the reluctance.
37.
What is the purpose of yoke in a dc machine?
(i) It provides
mechanical support for the poles and acts as a protecting cover for the whole
machine.
(ii) It carries the
magnetic flux produced by the poles.
38.
Write short notes on the types of DC machines.

• DC Generator:
Separately excited, Self excited
• DC Motor: Shunt,
Series, Compound
39.
How can the alternating current waveform in the armature be converted into a dc
waveform?
The basic nature of emf
induced in the armature conductor is alternating current wave form. This needs
rectification in case of DC generator which is made possible by a device called
commutator.
(a) Functions
• To facilitate the
collection of current from the armature conductors.
• To convert the
alternating current induced in the armature conductors into unidirectional
current in the external load circuit.
(b) Choice of material
• It is made up of wedge
shaped copper segments.
40.
Mention the applications of stepper motor.
• Positioning systems
• Floppy disk drives
• Computer printers
• Plotters
• Slot machines etc.,
41.
Write voltage equation of the motor
Voltage equation is
given by, V = Eb + IaRa

42.
A dc shunt generator supplies a load of 10 kW at 220 V through feeders of
resistance 0.1Ω. The resistance of armature and shunt field windings is 0.05Ω
and 100 Ω respectively. Calculate the terminal voltage.
Solution
IL = output power / V
= 10×103 /
220 = 45.45 A
Ish = V/Rsh
= 220 / 100 = 2.2 A
Ia=IL+Ish
= 45.45+2.2 = 47.65 A
Eg = V + IaRa
+ ILRfeeder
= 220+ (47.65×0.05) +
(45.45×0.1) = Eg = 226.925 V
43.
Write the principle of DC motor.
The DC motor works on
the Faraday's electromagnetic induction principle which states that, "when
a current carrying conductor is placed in a magnetic field, a force (Torque)
will be experienced by the conductor".
The direction of this
force is given by Fleming's left hand rule and magnitude is given by,
F = BIl
(Newtons)
44.
Calculate the emf generated by a 4‒pole, wave - wound armature having 45 slots
with 18 conductors per slot when driven at 1200 rpm and the flux per pole is
0.016 wb.
Number of conductors,
Z = ( matrix Number of
slots) × ( matrix Number of conductors per slot)
= 45 × 18
Z = 810 conductors
Generated EMF, Eg
= PϕZN / 60A
= (4×0.016 × 810 × 1200)
/ (60×2)
Eg = 518.4
Volts
45.
List the applications D.C. Generator

Application
i. DC Shunt Generator
• Electroplating
• Battery charging
• Exciters for AC
generators
ii. DC Series Generator
• Series Arc Lighting.
• Series incandescent
lighting.
• Boosters [to
compensate the voltage drop]
iii. DC Compound
Generator
• To deliver constant
voltage at the transmission line ends.
• Differential compound
generator may be used for welding purposes.
iv. DC Separately
excited
• For supplying DC
motors whose speed is to be varied widely.
• Where a wide range of
DC voltage is required for testing purpose.
46.
Give some application of DC motors

Applications:
(i) DC shunt motor
• Lathe machines
• Blowers and fans
• Centrifugal pumps
(ii) DC series motor
• Electric locomotive
• Cranes
• Elevators
(iii) Cumulative
compound motor
• Punches
• Rolling mills
(iv) Differential
compound motor
• Not suitable for only
pratical applications.
47.
Sketch the OCC of DC shunt generator.

48.
Calculate the e.m.f generated by a 4‒pole, wave wound armature having 45 slots
with 18 conductors per slot when driven at 1200 r.p.m the flux per pole is 0.016
Wb.
Solution
Eg = PϕZN / 60A
= [4×0.016×(45×18)×1200]
/ 60×2
Eg = 518.4 V
Basic Electronics and Electrical Engineering: Chapter 2: DC Machines : Tag: : DC Generators and Motors - DC Machines: 2 Marks Important Questions with Answers
Basic Electronics and Electrical Engineering
EE25C04 1st Semester ECE Dept | 2025 Regulation | 2nd Semester 2025 Regulation
English Essentials I
EN25C01 1st Semester | 2025 Regulation | 1st Semester 2025 Regulation
தமிழர் மரபு - Heritage of Tamils
UC25H01 1st Semester | 2025 Regulation | 1st Semester 2025 Regulation
Applied Calculus
MA25C01 Maths 1 M1 - 1st Semester | 2025 Regulation | 1st Semester 2025 Regulation
Applied Physics I
PH25C01 1st Semester | 2025 Regulation | 1st Semester 2025 Regulation
Applied Chemistry I
CY25C01 1st Semester | 2025 Regulation | 1st Semester 2025 Regulation
Makerspace
ME25C04 1st Semester | 2025 Regulation | 1st Semester 2025 Regulation
Computer Programming C
CS25C01 1st Semester | 2025 Regulation | 1st Semester 2025 Regulation
Computer Programming Python
CS25C02 1st Semester | 2025 Regulation | 1st Semester 2025 Regulation
Fundamentals of Electrical and Electronics Engineering
EE25C03 1st Semester | 2025 Regulation | 1st Semester 2025 Regulation
Introduction to Mechanical Engineering
ME25C03 1st Semester | 2025 Regulation | 1st Semester 2025 Regulation
Introduction to Civil Engineering
CE25C01 1st Semester Civil Department | 2025 Regulation | 1st Semester 2025 Regulation
Essentials of Computing
CS25C03 1st Semester - AID CSE IT Department | 2025 Regulation | 1st Semester 2025 Regulation
Applied Physics I Laboratory
PH25C01 1st Semester practical Laboratory Manual | 2025 Regulation | 1st Semester Laboratory 2025 Regulation
Applied Chemistry I Laboratory
CY25C01 1st Semester practical Laboratory Manual | 2025 Regulation | 1st Semester Laboratory 2025 Regulation
Computer Programming C Laboratory
CS25C01 1st Semester practical Laboratory Manual | 2025 Regulation | 1st Semester Laboratory 2025 Regulation
Computer Programming Python Laboratory
CS25C02 1st Semester practical Laboratory Manual | 2025 Regulation | 1st Semester Laboratory 2025 Regulation
Engineering Drawing
ME25C01 EEE Mech Dept | 2025 Regulation | 2nd Semester 2025 Regulation
Basic Electronics and Electrical Engineering
EE25C04 1st Semester ECE Dept | 2025 Regulation | 2nd Semester 2025 Regulation